产品中心
XS1型吸湿器XS2型吸湿器XS3型吸湿器免维护聚能吸湿器XS5型吸湿器其他吸湿器
板式蝶阀25 40 50 80连箱盖板式蝶阀50 80连继电器板式蝶阀50 80带管板式蝶阀80板式圆形蝶阀25 40 50 80板式蝶阀100 125 150 200 250 300 35连箱盖板式蝶阀125 150 250 300真空蝶阀40 50 80连箱真空蝶阀50 80连继电器真空蝶阀50 80带管真空蝶阀80真空圆形蝶阀50 80真空蝶阀100 125 150 250 300 350 40连箱盖真空蝶阀100 125 150 200 250 300
单用活门双用活门
XD油位计玻璃管油位计UHZ-02油位计
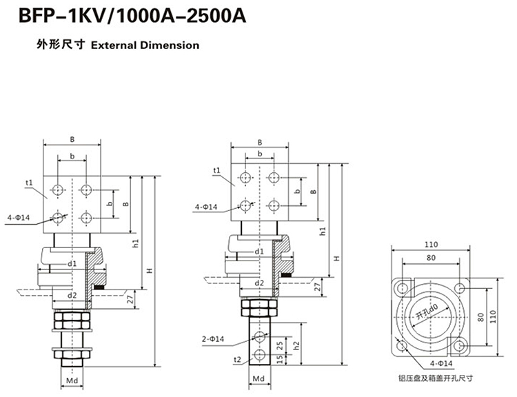
国标套管非晶合金套管DIN标准套管ANSI套管BFP套管BF套管避雷放电套管BJLH套管
法兰球阀系列法兰截止阀系列法兰闸阀系列法兰油样阀系列
盘形条形
联系我们
联系人:宋经理
地址:河间市西环
电话:13932799861
您现在的位置:首页>>产品展示>>套管系列>>BFP套管
上一条:
下一条: